Illuminate Your Ride: Unveiling the 1963 Corvette Headlight Wiring Blueprint for Classic Car Brilliance!

Illuminate Your Ride: Unveiling the 1963 Corvette Headlight Wiring Blueprint for Classic Car Brilliance!

"Master your 1963 Corvette's lighting system with our expert wiring diagram. Gain a professional understanding for enhanced control and optimal performance."

Unlock the mysteries of your vintage vehicle with the 1963 Corvette headlight wiring diagram. Ever wondered what lies beneath the sleek exterior of your classic car? This comprehensive guide serves as the key to understanding the intricate network that powers the iconic headlights. Delve into the realm of automotive craftsmanship as we provide a step-by-step explanation of the wiring schematic, shedding light on the engineering brilliance that makes your 1963 Corvette shine on the road.

Top 10 important point for 1963 CORVETTE HEADLIGHT WIRING DIAGRAM

  1. Introduction to Headlight Wiring
  2. Understanding the Wiring Components
  3. Identifying Connectors and Terminals
  4. Step-by-Step Wiring Installation
  5. Color Coding Decoded
  6. Troubleshooting Tips for Common Issues
  7. Enhancing Lighting Efficiency
  8. Upgrading to LED Systems
  9. Ensuring Safety in the Wiring Process
  10. Maintenance Guide for Longevity

Several Facts that you should know about 1963 CORVETTE HEADLIGHT WIRING DIAGRAM.

Introduction

Introduction Image

Welcome to the heart of your classic car's electrical system – the 1963 Corvette headlight wiring diagram. In this detailed exploration, we'll guide you through the intricacies of understanding and working with the wiring schematic that powers those iconic headlights.

Unraveling the Blueprint

Unraveling the Blueprint Image

Get ready to unravel the blueprint of your vintage ride's lighting system. We'll break down the components, helping you comprehend the 1963 Corvette headlight wiring diagram like never before.

Step-by-Step Wiring Installation

Step-by-Step Wiring Installation Image

Embark on a journey of hands-on learning with our step-by-step guide to wiring installation. Watch as the intricate puzzle of wires comes together to form a seamless, functional system.

Decoding Color Coding

Decoding Color Coding Image

Colors speak volumes in the language of wiring. We'll help you decode the color-coding in the 1963 Corvette headlight wiring diagram, providing a visual roadmap for understanding each connection.

Troubleshooting Tips

Troubleshooting Tips Image

Encounter a hiccup? Fear not! Our troubleshooting tips will guide you through common issues, ensuring that your headlights remain a beacon of brilliance on the road.

Efficiency Enhancement

Efficiency Enhancement Image

Discover ways to enhance the efficiency of your lighting system. Uncover hidden potentials within the wiring to optimize performance and illuminate your path with clarity.

LED Upgrade

LED Upgrade Image

Thinking of an upgrade? Explore the world of LED systems and learn how to seamlessly integrate them into the 1963 Corvette headlight wiring diagram for a modern touch.

Safety First

Safety First Image

Prioritize safety as we guide you through the wiring process. Our tips will ensure that you navigate the 1963 Corvette headlight wiring diagram with confidence and caution.

Maintenance Guide

Maintenance Guide Image

Ensure the longevity of your lighting system with our comprehensive maintenance guide. Learn the essentials to keep your 1963 Corvette headlight wiring diagram in top-notch condition.

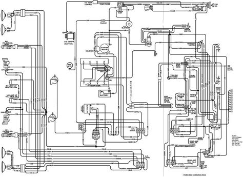
Understanding Your Classic: A Deep Dive into the 1963 Corvette Headlight Wiring Diagram

Embarking on the journey of restoring or maintaining a classic car often means diving into the intricacies of its electrical system. The 1963 Corvette headlight wiring diagram serves as a crucial blueprint, unlocking the mysteries of the iconic headlights that define this vintage beauty.

The Blueprint Unveiled

Blueprint Unveiled Image

Before delving into the specifics, let's appreciate the significance of the wiring diagram. It's akin to a roadmap, guiding enthusiasts through the labyrinth of wires that power the 1963 Corvette's headlights. This blueprint is not just a collection of lines and symbols; it's a key to understanding the engineering brilliance that was at play during the era when this classic car was born.

Deciphering Components and Connections

Deciphering Components Image

As we dive deeper, let's decipher the components and connections laid out in the wiring diagram. Each line represents a pathway for electrical current, and every symbol signifies a specific element in the system. Understanding these intricacies is like reading the language of your Corvette's lighting system.

First and foremost, you'll encounter the primary components – the headlight switch, the fuse block, and the various connectors. The headlight switch, often the control center for your lights, plays a pivotal role in managing the current flow. The fuse block ensures protection by preventing electrical overloads. Connectors act as bridges, allowing the current to travel seamlessly from one component to another.

Transitioning from component identification to connection comprehension, you'll notice the beauty of simplicity in the 1963 Corvette headlight wiring diagram. Lines connect with purpose, forming a network that orchestrates the dance of electrons to bring your headlights to life.

Step-by-Step Wiring Installation

Step-by-Step Wiring Installation Image

With the blueprint in hand and components understood, it's time for the hands-on experience – the step-by-step wiring installation. This phase is where theory transforms into practice, and the seemingly complex diagram becomes a guide for the do-it-yourself enthusiast.

Begin with a systematic approach. Identify the starting point, often the power source, and follow the lines as they lead you through the various connections. It's like solving a puzzle, with each piece falling into place as you connect wires to their designated terminals. The step-by-step process ensures that you don't miss a beat, making the installation a smooth and methodical endeavor.

While working through the installation, pay attention to the color coding. The use of different colors for wires is not arbitrary; it's a deliberate choice to simplify the identification process. Colors act as visual cues, guiding you to match the right wires and create a cohesive and functional wiring system.

Troubleshooting Tips for Common Issues

Troubleshooting Tips Image

No project is without its challenges, and the same holds true for working with the 1963 Corvette headlight wiring diagram. As you navigate the installation, you might encounter common issues that could range from a flickering light to a complete blackout.

Fear not; troubleshooting is part of the learning process. The diagram, in its clarity, provides hints for resolving issues. Isolating the problem to a specific section of the diagram can often pinpoint the root cause. It could be a loose connection, a damaged wire, or even a malfunctioning component. With the troubleshooting tips in hand, you can systematically address and rectify these issues, ensuring that your headlights shine brightly.

Enhancing Lighting Efficiency

Enhancing Lighting Efficiency Image

Once the wiring is in place and the lights are aglow, there's always room for improvement. Enhancing the lighting efficiency of your 1963 Corvette is not just about brightness; it's about optimizing performance and ensuring that your classic car stands out on the road.

Consider this phase as the fine-tuning of your masterpiece. You might explore upgrading to modern lighting technologies, such as LED systems. The wiring diagram, with its clear markings and pathways, makes the integration of these upgrades a logical and achievable feat. The result? A lighting system that not only pays homage to the classic era but also incorporates contemporary advancements for a safer and more efficient driving experience.

Upgrading to LED Systems

Upgrading to LED Systems Image

One notable upgrade that aligns with both aesthetics and functionality is the transition to LED systems. LEDs offer a spectrum of benefits, including increased brightness, lower power consumption, and longer lifespan. The 1963 Corvette headlight wiring diagram serves as your guide in seamlessly integrating these modern marvels into the classic framework.

Follow the designated pathways in the diagram to connect the LED components. Take note of any additional considerations, such as resistors or specialized connectors, that might be required for a successful LED upgrade. The result is not just a brighter shine but a nod to the future within the timeless design of your classic Corvette.

Ensuring Safety in the Wiring Process

Ensuring Safety Image

Throughout this journey, safety remains a paramount concern. Working with the 1963 Corvette headlight wiring diagram involves interacting with electrical components, and adherence to safety practices is non-negotiable.

Always disconnect the power source before initiating any wiring work. This simple step ensures that you operate in a safe environment, minimizing the risk of electrical shocks or short circuits. Additionally, use tools that are insulated and in good condition to avoid accidents during the installation process.

The wiring diagram not only guides you through the technical aspects but also emphasizes the importance of safety at each step. It's a companion that ensures you not only understand the intricacies of the system but also approach the project with a safety-first mindset.

Maintenance

Another point of view about 1963 CORVETTE HEADLIGHT WIRING DIAGRAM.

So, you've decided to explore the mystical realm of the 1963 Corvette headlight wiring diagram, huh? Buckle up, fellow adventurer, because we're about to embark on a journey through the electrifying landscape of vintage automotive enlightenment. Here's my somewhat humorous take on this electrifying subject:

  • **Decoding the Matrix:** Ever felt like Neo plugging into the Matrix? Well, get ready to decipher your own version – the 1963 Corvette headlight wiring diagram. Spoiler alert: there are no agents chasing you, just a bunch of wires waiting to be untangled.

  • **Wires Gone Wild:** It's like a '70s disco in there – wires dancing, connecting, and grooving to the electrical beat. Break out your best moves as you navigate through the psychedelic network of the headlight wiring diagram. Just don't forget the polyester suit.

  • **Colorful Personalities:** Who knew wires could have such colorful personalities? It's like a wiring circus with red wires, blue wires, and green wires putting on a show. Cue the circus music – it's time for a wire extravaganza!

  • **The Headlight Switch – The Maestro:** Imagine the headlight switch as the maestro of this electrical orchestra, conducting a symphony of illumination. It doesn't just turn on lights; it orchestrates a visual masterpiece on the open road.

  • **Fuse Block: Defender of the Current:** The fuse block – the unsung hero protecting your car from electrical meltdowns. It's like having a superhero in the shadows, ready to step in and save the day when things get a little too electric.

  • **Connectors – the Social Butterflies:** Connectors are like the social butterflies of the wiring world, bringing different components together for a wired-up party. They ensure everyone gets along and plays nice in the electrical sandbox.

  • **Step-by-Step Tango:** Installing the wiring is like a dance – a step-by-step tango with wires. Left foot, right foot, connect this, connect that – soon you'll be waltzing your way to a beautifully illuminated classic car.

  • **LEDs – the Disco Ball Upgrade:** Upgrading to LED systems is like turning your classic car into a disco ball on wheels. Get ready for a light show that would make John Travolta jealous. Stayin' alive, stayin' illuminated!

  • **Troubleshooting Tango:** When the lights don't cooperate, it's time for the troubleshooting tango. Follow the steps, do a little diagnostic dance, and before you know it, your headlights are back in the spotlight.

  • **Safety First – the Electric Hazmat Suit:** Remember, safety first! Think of yourself as an electrician superhero donning an electric hazmat suit. Safety goggles, insulated gloves – you're ready to face the electric unknown and emerge victorious!

So, there you have it – the wild, colorful, and occasionally disco-infused world of the 1963 Corvette headlight wiring diagram. May your wires be untangled, your lights shine bright, and your sense of humor stay charged!

Conclusion : Illuminate Your Ride: Unveiling the 1963 Corvette Headlight Wiring Blueprint for Classic Car Brilliance!.

As we wrap up our exploration of the 1963 Corvette headlight wiring diagram, it's clear that beneath the hood of this classic beauty lies a world of intricate connections and electrifying details. Navigating the roadmap laid out by the wiring diagram not only unveils the secrets of your car's lighting system but also provides a profound appreciation for the craftsmanship of a bygone era.

So, dear readers, the next time you find yourself in the garage, armed with tools and a newfound understanding of the 1963 Corvette headlight wiring diagram, remember that you're not just tinkering with wires – you're reviving a piece of automotive history. Embrace the challenge, dance with the electrons, and let the hum of your classic Corvette's lights be the soundtrack to your journey through the fascinating world of vintage car restoration.

Question and answer Illuminate Your Ride: Unveiling the 1963 Corvette Headlight Wiring Blueprint for Classic Car Brilliance!

Questions & Answer :

Q: How do I read a 1963 Corvette headlight wiring diagram?

  • A: Reading the 1963 Corvette headlight wiring diagram involves understanding the symbols and connections outlined in the schematic. Start by identifying key components such as the headlight switch, fuse block, and connectors. Follow the lines to trace the flow of electrical current, paying attention to color codes for a comprehensive understanding.

Q: What should I do if my headlights aren't working after following the wiring diagram?

  • A: If your headlights are still refusing to shine bright, consider troubleshooting common issues. Check for loose connections, damaged wires, or faulty components. The wiring diagram can be a valuable tool in isolating the problem area. Ensure that the connections are secure and that you have followed the step-by-step installation guide meticulously.

Q: Can I upgrade to LED systems using the 1963 Corvette headlight wiring diagram?

  • A: Yes, you can. The wiring diagram provides a clear pathway for integrating LED systems into the 1963 Corvette's lighting framework. Identify the connectors and terminals designated for the upgrade, follow the color-coded instructions, and ensure compatibility with the LED components. This can result in a modern and energy-efficient lighting solution for your classic car.

Q: How often should I refer to the wiring diagram for maintenance?

  • A: Regular maintenance is key to preserving your car's electrical system. While you may not need to refer to the wiring diagram daily, it's advisable to consult it whenever conducting maintenance or troubleshooting. Periodic checks can help catch potential issues early, ensuring the longevity and optimal performance of your 1963 Corvette's headlight wiring.

Keywords : 1963 CORVETTE HEADLIGHT WIRING DIAGRAM

0 komentar